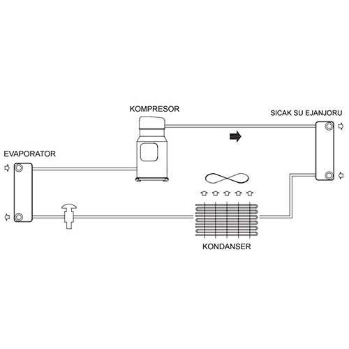
İngilizce chiller olarak adlandırılan ve Türkçeye soğutma sistemleri olarak çevrilen chiller; ısıyı bir kaynaktan alarak başka bir kaynağa transfer eden, enjeksiyon soğutma sistemi olarak adlandırılan sistemlerdir. Kompresör, kondanser, genleşme vanası ve evaporatörden oluşan chiller soğutma sistemleri, kompresörde sıkıştırılan ve ısınan gazın kondanserde soğutulması ile çalışır. Daha sonra genleşme vanasından geçen gazın basıncı dolayısı ile sıcaklığı düşer ve sıvılaşır. Evaporatörden geçerken soğutulmak istenen sıvının üzerinden ısıyı alır alçak basınçta gaz olarak kompresöre gelir, yeniden sıkıştırılır. Çalışma sistemi bu şekilde devam eder.
SOĞUTMA GRUBU KULLANIM ALANLARI:Soğutma grupları aslen evoparatöre gelen suyu soğuturlar. Bu suyun kullanıldığı yere göre cihazında hizmet verdiği alan değişir. Bu su fancoiller yada klima santralleri aracılığı ile ortam soğutmasına hizmet edebilir ve bir konfor uygulamasında kullanılabilir. Günümüzde birçok alışveriş merkezi, hastane, yüksek iş merkezleri gibi yapılar chiller grupları ile soğutulmaktadır. Endüstriyel tesislerde de makine ekipman soğutması, kaplama tesislerinde olduğu gibi kimyasal bir reaksiyonun soğutulması, plastik enjeksiyon kalıplarının soğutulması ve birçok proseste soğutma grubu kullanılmaktadır. Enerji, kağıt, gıda, kimya, plastik, demir çelik gibi sayısız sektörde soğuk su ihtiyacı hava yada su kaynaklı soğutma grubu tarafından sağlanmaktadır.
ÇOK FONKSİYONLU CHILLER GRUPLARI:Şu ana kadar chillerlerin en çok bilinen ve kullanılan su soğutma grubu işlevinden bahsettik. Ancak chiller grupları sadece soğutma veya ısıtma, eş zamanlı ısıtma ve soğutma, kullanım sıcak suyu gibi hizmetleri de vermektedir. Ve bunların bir çoğunu ısı geri kazanım özelliği sayesinde bedelsiz olarak gerçekleştirebilmektedir.
ISI GERİ KAZANIMLI SOĞUTMA GRUBU:Soğutma grupları soğutma işlemi yaptıkça bir başka yerde de ısıtma işlemi yapmaktadır. Genellikle bu atık ısı boşa gitmekte ve çevreye bırakılmaktadır. Oysaki soğutma grubu kısmi yada tam ısı geri kazanımı ile atık ısı bir başka yere aktarılabilir. Bunun en güzel örneği kullanım sıcak suyu eldesidir, cihaz soğutma yaptığı sürece bir boylerdeki suyu da bedelsiz olarak ısıtabilir. Özellikle endüstriyel tesislerde kullanılan soğutma grubu yaz kış soğutmaya çalışırlar. Bu soğutma işleminin atığı olan ısı, kullanım sıcak suyu yada idari bina ısıtmasında kullanılabilmektedir.
HEAT PUMP (ISI POMPASI) CHILLER:Hemen herkes bireysel konfor uygulamalarında kullanılan evsel tip ısı pompalarını duymuştur. Heatpump chillerler bu cihazların çok daha büyük kapasitelisi olarak düşünülebilir. Konfor uygulamalarında yazın soğutma kışın ısıtma işlevi görürler. Cihaz üzerinde çok basit olarak anlatmak gerekirse 4 yollu bir vana bulunur. Kompresörden gelen sıcak gaz sistemde soğutma isteniyorsa kondansere, ısıtma isteniyorsa evoparatöre gönderilebilir.
FREE-COOLING CHILLER:Soğutma grubu cihazları yazın olduğu gibi kışında soğutma işlevi gördüğü uygulamalar ve enerji maliyetlerinin yüksekoluşu, gazlı ve sulu bataryaları birlikte kullanan kompakt cihazların imal edilmesini sağlamıştır. Bu cihazlar kış aylarında zaten soğuk olan iklim şartlarından faydalanarak doğal ve düşük maliyetli soğutma yaparlar. Örneğin bir plastik enjeksiyon prosesinde kalıpların sürekli soğutulması gerekir. Kalıplardan soğutma grubu içerisine gelen sıcak su doğal olarak soğutulabileceği hava şartları var ise önce sulu bataryalara girer ve soğutulur, çıkışta istenilen sıcaklığa kadar soğutma yapılamadıysa mekanik soğutma ile eksik kalan kısım tamamlanarak soğutulmuş su tekrar kalıplara gönderilir. Böylece kış aylarında ihtiyaç duyulan soğutmanın büyük bir bölümü doğal soğutma ile karşılanmış olur. Yine gece, gündüz arasındaki sıcaklık farkının yüksek olduğu yerlerde de free-cooling soğutma grubu tercih edilmektedir.
İklimlendirme,klima,montaj,arıza,bakım
İklimlendirme,klima,montaj,arıza,bakım
İklimlendirme,klima,montaj,arıza,bakım
İklimlendirme,klima,montaj,arıza,bakım
İklimlendirme,klima,montaj,arıza,bakım
İklimlendirme,klima,montaj,arıza,bakım
İklimlendirme,klima,montaj,arıza,bakım
İklimlendirme,klima,montaj,arıza,bakım
İklimlendirme,klima,montaj,arıza,bakım